DS-F

發布日期 : 2019-06-26 Print

 

高溫傳感器,平面承載,結構合理。承載機構簡單可靠,使用簡單,便于安裝,廣泛應用于鋼鐵行業的連鑄大包秤.中間包秤.天車秤等稱重系統。

High temperature load cell, planar load bearing bridge, reasonable structure. Simple and reliable load bearing, easy to use, simple to install, Widely used in consecutive-casting bale scale, middle bag scale, steel ladle scale, traveling crane scale and other weighing systems in steel industry.

術參數Technical Parameter
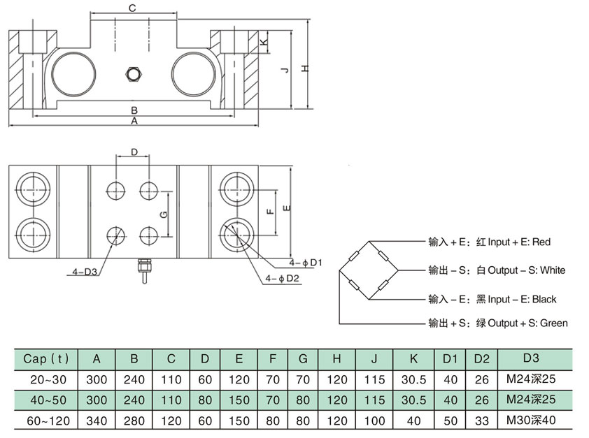
額定載荷Rated Load 20t,30t,40t,50t,60t,80t,120t
靈敏度Sensitivity 2.0000±0.002mV/V
綜合誤差Total Error ±0.02%F.S
蠕變Creep(30minutes) ±0.02%F.S
推薦工作電壓Recommended Excitation Voltage 5V~18V(AC or DC)
最大工作電壓Maximum Excitation Voltage 24V(AC or DC)
零點平衡Zero Balance ±1%F.S
輸入阻抗Input Impedance 775±10Ω
輸出阻抗Output Impedance 700±5Ω
絕緣阻抗Insulation Impedance ≥5000MΩ
安全過載率Safe Overload 150%F.S
極限過載率Ultimate Overload 200%F.S
工作溫度范圍Operating Temperature Range (-30~+70)℃
溫度補償范圍Compensated Temperature Range (-20~+60)℃
輸出溫度影響Temperature Effect On Load ±0.02%F.S/10℃
零點溫度影響Temperature Effect On Zero ±0.02%F.S/10℃
材質Construction 合金鋼Alloy Steel
防護等級Protection Class IP68&IP67
引用標準Citation GB/T7551-2008/OIML R60
接線方式Mode of Connection 輸入+:紅?Input+:Red
輸入-:黑?Input-:Black
輸出+:綠?Output+:Green
輸出-:白?Output-:White

電話 : 0086-0574-86810798  |  Email : sales@china-zpe.com  |  地址 : 浙江省寧波市北侖區新碶街道九華山路402號二樓-1
版權所有?2019   寧波眾鵬電氣有限公司  浙ICP備19031921號-1   浙公網安備33020602000981號 ?