DS-S

發布日期 : 2019-06-26 Print

適用于食品/飲料/化工/塑料/醫藥及生物行業等。

Applicable to food, beverage, chemical, plastics, pharmaceutical and biological industries of various metering equipment.

術參數Technical Parameter
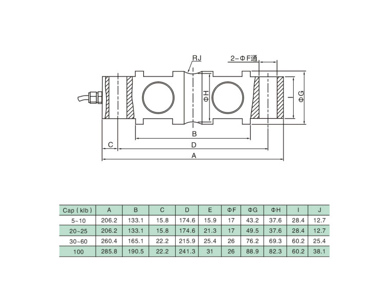
額定載荷Rated Load 5klb100klb
靈敏度Sensitivity 2.0000±0.002mV/V
綜合誤差Total Error ±0.02%F.S
蠕變Creep(30minutes) ±0.02%F.S
推薦工作電壓Recommended Excitation Voltage 5V18V(AC or DC)
最大工作電壓Maximum Excitation Voltage 24V(AC or DC)
零點平衡Zero Balance ±1%F.S
輸入阻抗Input Impedance 775±10Ω
輸出阻抗Output Impedance 700±5Ω
絕緣阻抗Insulation Impedance ≥5000MΩ
安全過載率Safe Overload 150%F.S
極限過載率Ultimate Overload 200%F.S
工作溫度范圍Operating Temperature Range (-30+70)
溫度補償范圍Compensated Temperature Range (-20+60)
輸出溫度影響Temperature Effect On Load ±0.02%F.S/10
零點溫度影響Temperature Effect On Zero ±0.02%F.S/10
材質Construction 合金鋼Alloy Steel
防護等級Protection Class IP67&IP68
引用標準Citation GB/T7551-2008/OIML R60
接線方式Mode of Connection 輸入+: Input+:Red
輸入-: Input-:Black
輸出+: Output+:Green
輸出-: Output-:White

電話 : 0086-0574-86810798  |  Email : sales@china-zpe.com  |  地址 : 浙江省寧波市北侖區新碶街道九華山路402號二樓-1
版權所有?2019   寧波眾鵬電氣有限公司  浙ICP備19031921號-1   浙公網安備33020602000981號 ?